Login
English
Čeština
English
Search
Shopping cart
is empty
Search
Home
Instructions
Complaint
Technical certificates
SPARE PARTS
MOWING
MULCHING
ROTARY TILLERS
MaX MULTIFUNCTIONAL CARRIER
RAPTOR MULTIFUNCTIONAL CARRIER
DRIVINIG UNITS
DSK-316 ACCESSORIES
DSK-317.1/S ACCESSORIES
ENGINE ACCESSORIES
GEARBOXES
CLEANING
WOOD PROCESSING
VARI TRADE GOODS
VARI LAWNMOWERS AND LAWN TRACTORS
3555 VARI RL 84 H
3556 VARI RL 98 H
RL98HW
4590 VARI RL 102H
3550 FM-3310
3551 FM-3813
3552 CSL 464G
Deck
Front Conveyour Assy
Handle Lower Part
Handle, Upper Part
Wheel and Hub Caps
Blade
Grass Catcher
Engine I
Engine II
3553 CSL 484G
3691 CSL 484H
3565 CP1 484G
4589 CP1 484B
4565 CP1 484H
3692 MP1 504B
3554 MP1 504BiS
3566 MP1 504G
3567 MP1 504GES
3693 MP1 554B
3694 MP1 554H
4418 VARI-590H
EQUIPMENT CONNECTED DIRECTLY
USED GOODS
TRAILERS
WORKWEAR AND TOOLS
200+ AUTORIZOVANÝCH SERVISŮ
V ČECHÁCH A NA MORAVĚ
Home
SPARE PARTS
VARI LAWNMOWERS AND LAWN TRACTORS
3552 CSL 464G
Engine I
Engine I
Engine I
Order no.:
CSL464-8
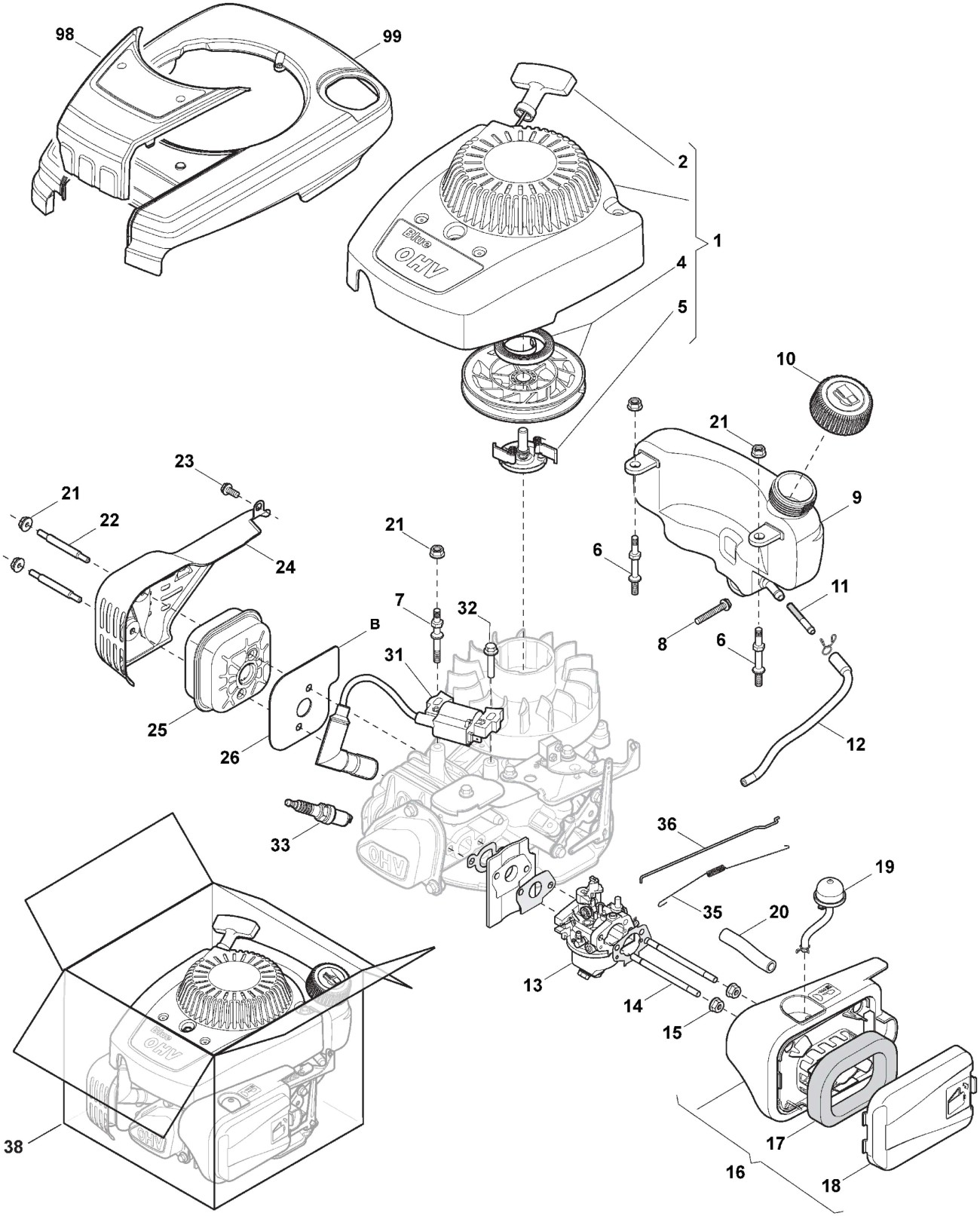
Technical drawing
Spare part list
Position
Name
Order no.
Price incl. VAT
1
last 1 pc
Starter Assy Cover
#1
118550693
118550693
1 052,70 Kč
Buy
1 052,70 Kč
2
Starter Handle
#2
118550694
118550694
Question
4
Starter Pulley
#4
118550695
118550695
Question
5
Starter Pawl Set
#5
118550696
118550696
Question
6
Screw
#6
118550713
118550713
Question
7
Screw
#7
118550714
118550714
Question
8
Screw
#8
112689515
112689515
Question
9
Fuel Tank
#9
118550712
118550712
Question
10
Fuel Cap
#10
118550711
118550711
Question
11
Fuel Filter
#11
118550715
118550715
Question
12
last 3 pcs
Fuel Pipe
#12
118550716
118550716
72,60 Kč
Buy
72,60 Kč
13
last 1 pc
Carburetor
#13
118550697
118550697
1 210,00 Kč
Buy
1 210,00 Kč
14
Screw
#14
118550706
118550706
Question
15
?
0 pcs in stock
Nut
#15
112292102
112292102
48,40 Kč
Buy
48,40 Kč
16
Air Cleaner Assy
#16
118550702
118550702
Question
17
less than 5 pcs
Air Filter
#17
118550704
118550704
84,70 Kč
Buy
84,70 Kč
18
last 1 pc
Air Cleaner Cover
#18
118550703
118550703
302,50 Kč
Buy
302,50 Kč
19
last 3 pcs
Air Purge Pump
#19
118550698
118550698
314,60 Kč
Buy
314,60 Kč
20
Breather Fule Pipe
#20
118550705
118550705
Question
21
?
0 pcs in stock
Nut
#21
112292102
112292102
48,40 Kč
Buy
48,40 Kč
22
Screw
#22
118550710
118550710
Question
23
Screw
#23
112735699
112735699
Question
24
Muffler Guard
#24
118550709
118550709
Question
25
Muffler
#25
118550708
118550708
Question
26
Muffler Gasket
#26
118550707
118550707
Question
31
?
0 pcs in stock
Electronic Coil
#31
118550719
118550719
726,00 Kč
Buy
726,00 Kč
32
?
0 pcs in stock
Screw
#32
112792099
112792099
36,30 Kč
Buy
36,30 Kč
33
Spark Plug
#33
118550658
118550658
Question
35
Spring
#35
118550720
118550720
Question
36
Governor Link
#36
118550721
118550721
Question
38
Engine Assembled
#38
118550732
118550732
Question
98
Cover
#98
322055521
322055521
Question
99
Hood, Yellow
#99
322055518
322055518
Question
99
Black Cover Assy (pos. 98+99)
#99
381002079
381002079
Question
This website uses cookies. By using this site, you agree to its use. More information can be found
here
.
I agree
×
Search
×
Product question
Your e-mail
Text
Required quantity
×
Login
E-mail (login name)
Password
Forgot your login details?
×
Change login password
Your e-mail (login name)