Přihlášení
Čeština
Čeština
English
Hledat
Nákupní koš
je prázdný
Vyhledávání
Úvod
Návody
Reklamace
Technická osvědčení
NÁHRADNÍ DÍLY
SEČENÍ
MULČOVÁNÍ
ROTAVÁTORY
LUCINA MaX
RAPTOR Hydro
POHONNÉ JEDNOTKY
PŘÍSLUŠENSTVÍ DSK-316
PŘÍSLUŠENSTVÍ DSK-317
PŘÍSLUŠENSTVÍ K MOTORŮM
PŘEVODOVÉ SKŘÍNĚ
ÚKLID
4440 CB-80
4441 CB-80B
4442 CB-80Z
4031 KV-100/Z
4588 CB-800
4591 CB-1000
3600 KV-100
4627 CB-800E
4628 CB-1000E
4629 CB-1000PRO
4449 RAPIDO
4453 RAPIDO PLUS
4502 RAPIDO POWER PLUS
4631 e.Rapido
4650 B-60 WeedHex
4480 B-35
4575 B-35B
4607 B-35B (PXi)
1006600221
Odstraňovač plevele B-35 základ
Řídítka kompletní B-35B
Motor B&S 850PXi úplný
4445 BOX BS-80
4451 OR-80
4450 SP-800
4459 PK-950
4443 AP-80
4597 AP-100
4037 TRIMMER-50
4038 TRIMMER-60
4431 KAJMAN-55
4458 BS-100
4519 ROR-1000
4654 CLONA B-60
ZPRACOVÁNÍ DŘEVA
VÝROBKY VARI
TRAVNÍ TRAKTORY A SEKAČKY
PŘÍMOPŘIPOJITELNÉ STROJE
BAZAR
PŘÍVĚSY
PRACOVNÍ POMŮCKY
STAVEBNICE PONY IIA
200+ AUTORIZOVANÝCH SERVISŮ
V ČECHÁCH A NA MORAVĚ
Úvod
NÁHRADNÍ DÍLY
ÚKLID
4607 B-35B (PXi)
1006600221
1006600221
1006600221
Objednací číslo:
1006600221
Dokumenty ke stažení
Formát
Název
Velikost
PDF
Katalogový list
805 kB
Technický nákres
Soupis dílů sestavy
Pozice
Název
Objednací číslo
Kusů
Cena s DPH / ks
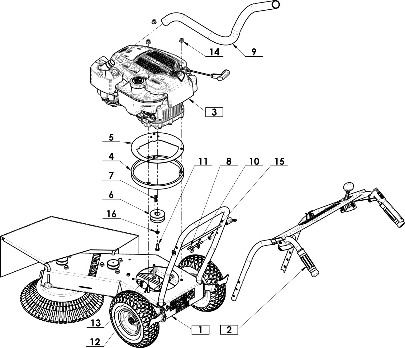
1
Odstraňovač plevele B-35 základ
#1
1 ks
2006601054
2006601054
1
2
Řídítka kompletní B-35B
#2
1 ks
2006600209
2006600209
1
3
?
0 ks skladem
Motor B&S 850PXi úplný
#3
1 ks
2006600215
2006600215
1
10 345,50 Kč
Koupit
10 345,50 Kč
4
skladem
Mezipříruba BS800
#4
1 ks
3006600195
3006600195
1
487,60 Kč
Koupit
487,60 Kč
5
?
0 ks skladem
Kryt spodku motoru 800EXi
#5
1 ks
3006600196
3006600196
1
84,70 Kč
Koupit
84,70 Kč
6
skladem
Řemenice hnací motor
#6
1 ks
2006600027
2006600027
1
145,20 Kč
Koupit
145,20 Kč
7
skladem
Pero 3/16”x30
#7
1 ks
189036
189036
1
48,40 Kč
Koupit
48,40 Kč
8
skladem
Vedení startovací šňůry
#8
1 ks
51482492002
51482492002
1
99,20 Kč
Koupit
99,20 Kč
9
méně než 5 ks
Trubka sání
#9
1 ks
3006600198
3006600198
1
142,80 Kč
Koupit
142,80 Kč
10
?
0 ks skladem
Páska stahovací 4,8x250
#10
7 ks
51283297052
51283297052
7
2,40 Kč
Koupit
2,40 Kč
11
skladem
Šroub W 3/8”x7/8”
#11
1 ks
51309900018
51309900018
1
16,90 Kč
Koupit
16,90 Kč
12
skladem
Šroub M8x90
#12
1 ks
51309203871
51309203871
1
12,10 Kč
Koupit
12,10 Kč
13
skladem
Šroub M8x55
#13
2 ks
51309900045
51309900045
2
9,70 Kč
Koupit
9,70 Kč
14
skladem
Matice M8
#14
3 ks
51311120099
51311120099
3
3,60 Kč
Koupit
3,60 Kč
15
skladem
Matice M6
#15
1 ks
51311900005
51311900005
1
1,00 Kč
Koupit
1,00 Kč
16
poslední 2 ks
Podložka 10
#16
1 ks
106530
106530
1
1,20 Kč
Koupit
1,20 Kč
17
Samolepka Vedex
#17
1 ks
3006600060
3006600060
1
Dotaz
18
Štítek výrobní B-35B(PXi)
#18
1 ks
3006600220
3006600220
1
Dotaz
Tyto webové stránky používají soubory cookies. Používáním těchto stránek souhlasíte s jejich použitím. Více informací naleznete
zde
.
Souhlasím
×
Vyhledávání
×
Dotaz k produktu
Váš e-mail
Text dotazu
Požadované množství
×
Přihlášení
E-mail (přihlašovací jméno)
Heslo
Zapomněli jste Vaše přihlašovací údaje?
×
Změna přihlašovacího hesla
Váš e-mail (přihlašovací jméno)