Login
English
Čeština
English
Search
Shopping cart
is empty
Search
Home
Instructions
Complaint
Technical certificates
SPARE PARTS
MOWING
MULCHING
ROTARY TILLERS
MaX MULTIFUNCTIONAL CARRIER
RAPTOR MULTIFUNCTIONAL CARRIER
DRIVINIG UNITS
DSK-316 ACCESSORIES
DSK-317.1/S ACCESSORIES
ENGINE ACCESSORIES
GEARBOXES
CLEANING
WOOD PROCESSING
VARI TRADE GOODS
VARI LAWNMOWERS AND LAWN TRACTORS
3555 VARI RL 84 H
3556 VARI RL 98 H
Chassis
Frame - Rear Plate
Body Work
Steering
Brake And Gearbox Controls
Transmission
Cutting Plate Lifting
Cutting Plate
Belt Protections
Grasscatcher
Engine
Electrical Parts
Labels
Optionals On Request
Seat & Steering Wheel
Engine - Carburettor, Tank
Engine - Piston, Crankshaft
Engine, Fuel Pump
Transmission Unit
RL98HW
4590 VARI RL 102H
3550 FM-3310
3551 FM-3813
3552 CSL 464G
3553 CSL 484G
3691 CSL 484H
3565 CP1 484G
4589 CP1 484B
4565 CP1 484H
3692 MP1 504B
3554 MP1 504BiS
3566 MP1 504G
3567 MP1 504GES
3693 MP1 554B
3694 MP1 554H
4418 VARI-590H
EQUIPMENT CONNECTED DIRECTLY
USED GOODS
TRAILERS
WORKWEAR AND TOOLS
200+ AUTORIZOVANÝCH SERVISŮ
V ČECHÁCH A NA MORAVĚ
Home
SPARE PARTS
VARI LAWNMOWERS AND LAWN TRACTORS
3556 VARI RL 98 H
Engine - Piston, Crankshaft
Engine - Piston, Crankshaft
Engine - Piston, Crankshaft
Order no.:
RL98H-18
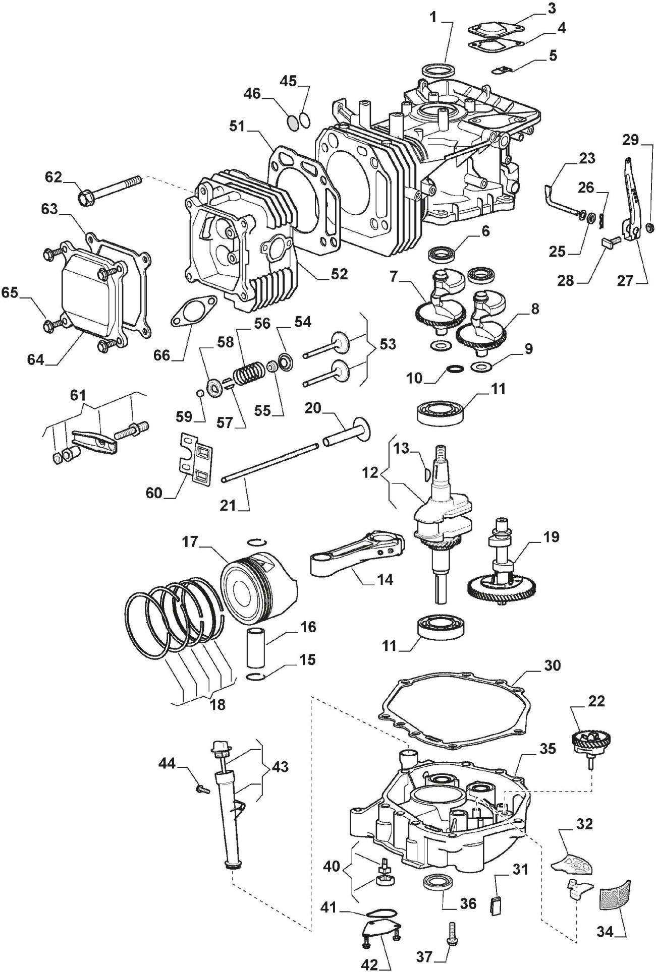
Technical drawing
Spare part list
Position
Name
Order no.
Price incl. VAT
1
Oil Seal
#1
118550443
118550443
Replacement
2
Crankase
#2
118551224
118551224
Question
3
Cover
#3
118551227
118551227
Question
4
Gasket
#4
118551229
118551229
Question
5
Plate
#5
118550303
118550303
Question
6
Bearing
#6
118551284
118551284
Question
7
Counterweight
#7
118551242
118551242
Question
8
Counterweight
#8
118551243
118551243
Question
9
Washer
#9
118551282
118551282
Question
10
O Ring
#10
118551286
118551286
Question
11
Ball Bearing
#11
118550227
118550227
Question
12
Crankshaft
#12
118550232
118550232
Question
13
?
0 pcs in stock
Woodruff Key
#13
118550288
118550288
145,20 Kč
Buy
145,20 Kč
14
Connecting Rod Assy
#14
118550231
118550231
Question
15
Washer, Piston Pin
#15
118551283
118551283
Question
16
Piston Pin
#16
118551241
118551241
Question
17
Piston
#17
118551240
118551240
Question
18
Piston, Ring Set
#18
118550510
118550510
Question
19
Camshaft assy
#19
118551511
118551511
Question
20
Valve Lifter
#20
118551252
118551252
Question
21
Push Rods Assy
#21
118550242
118550242
Question
22
Speed Governor Assy
#22
118551506
118551506
Question
23
Shaft, Governor Arm
#23
118551505
118551505
Question
25
Oil Seal
#25
118551285
118551285
Question
26
Cotter Pin
#26
118550856
118550856
Question
27
Arm Governor Assy
#27
118551220
118551220
Question
28
Screw
#28
118550805
118550805
Question
29
Nut
#29
118550806
118550806
Question
30
Crankcase Gasket
#30
118550355
118550355
Question
31
Grommet
#31
118551258
118551258
Question
32
Cover
#32
118551257
118551257
Question
34
Oil Strainer
#34
118551256
118551256
Question
35
Crankase Cover
#35
118551207
118551207
Question
36
Oil Seal
#36
118550443
118550443
Replacement
37
Screw
#37
112691115
112691115
Question
40
Oil Pump
#40
118550224
118550224
Question
41
Gasket
#41
118551507
118551507
Question
42
Oli Pump Cover
#42
118550223
118550223
Question
43
Oil Filler Assy
#43
118550444
118550444
Question
44
Screw
#44
112674701
112674701
Question
45
Breather Valve
#45
118551230
118551230
Question
46
Cover
#46
118551228
118551228
Question
51
?
0 pcs in stock
Gasket
#51
118551236
118551236
387,20 Kč
Buy
387,20 Kč
52
Cylinder Head
#52
118551231
118551231
Question
53
last 1 pc
Valve Assy, Intake + Exhaust
#53
118551289
118551289
871,20 Kč
Buy
871,20 Kč
54
Plate
#54
118551245
118551245
Question
55
Gasket
#55
118551248
118551248
Question
56
Spring Valve
#56
118550529
118550529
Question
57
Valve keeper
#57
118551247
118551247
Question
58
Retainer
#58
118551246
118551246
Question
59
Valve cap
#59
118551244
118551244
Question
60
Plate
#60
118551255
118551255
Question
61
Valve Arm Set
#61
118551510
118551510
Question
62
Screw
#62
118551278
118551278
Question
63
in stock
Gasket
#63
118551531
118551531
435,60 Kč
Buy
435,60 Kč
64
last 1 pc
Cover Comp., Head
#64
118551534
118551534
187,50 Kč
Buy
187,50 Kč
65
in stock
Bolt
#65
118551535
118551535
54,40 Kč
Buy
54,40 Kč
This website uses cookies. By using this site, you agree to its use. More information can be found
here
.
I agree
×
Search
×
Product question
Your e-mail
Text
Required quantity
×
Login
E-mail (login name)
Password
Forgot your login details?
×
Change login password
Your e-mail (login name)